|
 |
DIY: Wersivoice Card
(897 total words in this text) (1581 reads)
The Wersivoice. By its name you might expect it's something made by Wersi. You'd be right! Wersi made this processor for two basic functions: rotary speaker simulation, and chorus/ensemble effects. I picked up a spare Wersivoice card from an organ that was being parted out, and put it on a board with a power supply.
There are 5 basic controls: 'Whirl' (i.e., rotary speaker) or chorus, effect 'deep' or normal, effect 'flat' or normal, speed slow or fast, speed-shift instant or slow. In the chorus mode the speed and speed-shift controls don't do anything. The 'deep' control gives a thicker ensemble, (or more pronounced rotary effect), and the 'flat' control mixes in some unprocessed signal at the output. If 'deep' and 'flat' are engaged together, the logic on the board selects a further mode wherein some of the already-processed sound is mixed back to the input and passed through again, for an even thicker ensemble or rotary effect.
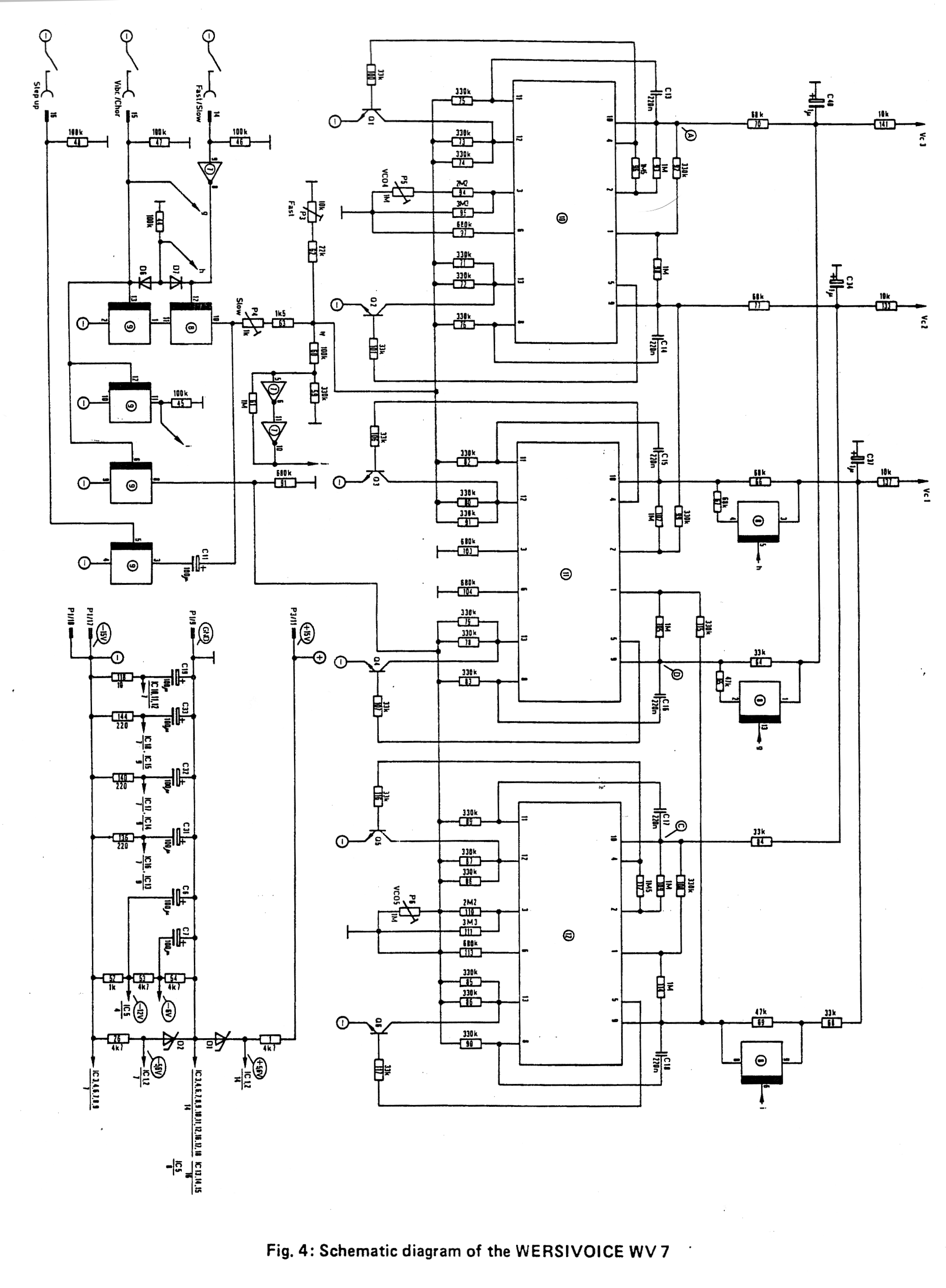
The manual hints that the BBD chips used are 512 stage chips, but they're labeled 'WIC 5020' -- a proprietary Wersi chip, or at least a rebadged chip from another source. How's it sound? Not bad for 70's technology. Certainly the ensemble effects are pretty good. The rotary speaker effect is no match for a real rotary speaker but it's certainly usable.
I'm planning on putting a couple other circuits on the board and casing it up as a processor unit. That may be a while in the future, as I'm having quite a lot of fun just using the Wersivoice on its own...
So, I've managed to add a few things to the Wersivoice processor. It's official name is now "Sonic Emulsifier". The name is the most important part, of course! What's here? Take a look:
The first new addition was to the right of the Wersivoice card, and it's a band pass filter matrix based on the Roland VP-330 vocal filters. The four switches control four different combinations of filters. The original Roland settings were somewhat the same sounding, so I devised some minor changes so that every selection sounds distinctly different, though they're less authentically vocal now.
Hanging on the back of the plate that holds the Wersivoice toggle switches is one of
Ken Stone's
Band Pass filters,
and sitting back behind the VP-filters is one of Ken's
Real Ring Modulators. It's entirely passive - using two transformers and four germanium diodes.
Yes, there's more to go in the Emulsifier, and yes there's some tidying up to be done. But that's for another day!
After some time in process, I've gotten the official panel together. Yes, it's GREEN!
The final module count:
(1) Wersivoice BBD device
(2) Ken Stone bandpass filter (SH-5 Bandpass clone)
(3) Ken Stone Real Ring Modulator
(4) Paia "Roctave Divider" board
(5) vocal band pass filters
(6) 566-based VCO using Thomas Henry's schematics
(7) 4-in, 1-out DC mixer, and
(8) 4-way mult
The VCO is there basically so that if you want to use the ring modulator with a single input, there's something there to modulate with. It's a strange assortment of things, some of which are included because I happened to have the boards sitting around (like the PAiA Roctave).
The big central dial is the main frequency control for the oscillator. Pots to the upper left control the PAiA divider; pots to the right are for the mixer, the oscillator has an output attenuator control (left of the big dial) and a wave-shape sweep control (to the right of the big dial). Switches at the bottom left select the Wersivoice modes, switches to the bottom right control the selection of groups of filters in the vocal filter matrix.
And a look 'round back:
Well, it's not the neatest construction, but nothing has blown up or stopped working, so I presume it's, er, good enough...!
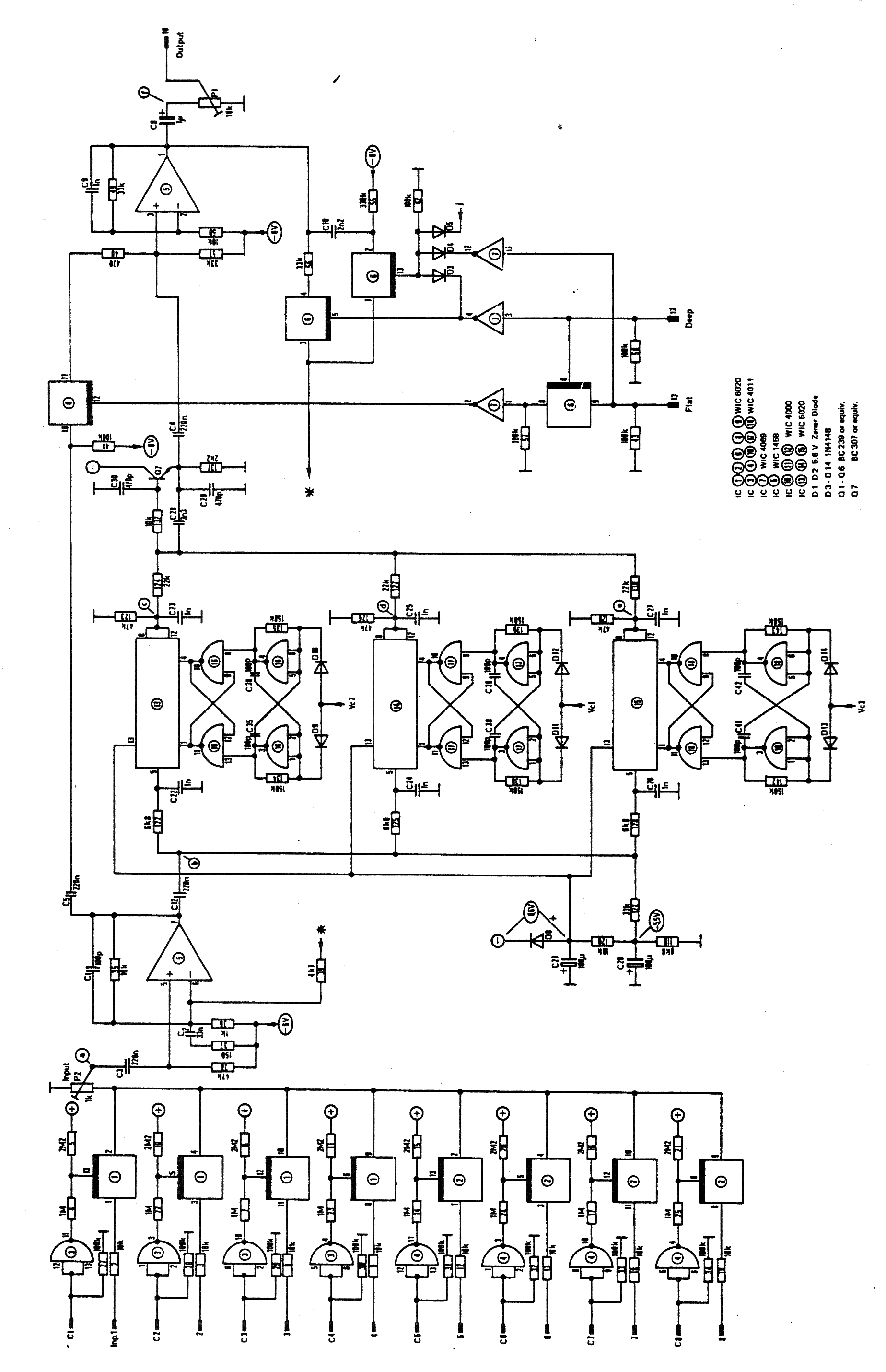
Tech Support department -- Here are schematics for the Wersivoice WV7 card:
Page 1: Modulation Section (about 629K)
Page 2: BBD Section (about 388K)
Page 3: Block Diagram (about 293K)
|
[ Back to 04. Synthesizers & Sound Generators | Main Index ]
|
|
| |